注意:访问本站需要Cookie和JavaScript支持!请设置您的浏览器! 打开购物车 查看留言付款方式联系我们
初中电子 单片机教材一 单片机教材二
搜索上次看见的商品或文章:
商品名、介绍 文章名、内容
首页 电子入门 学单片机 免费资源 下载中心 商品列表 象棋在线 在线绘图 加盟五一 加入收藏 设为首页
本站推荐:
间歇振荡电路
文章长度[2308] 加入时间[2006/7/1] 更新时间[2025/10/11 12:23:42] 级别[3] [评论] [收藏]

间歇振荡电路
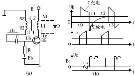
一、自激间歇振荡电路
图一(a)为自激间歇振荡电路,当电路接通电源时,(t=to),电流经变压器初级流向集电集,产生了感应电压ui及次级感应u2(u1为上正下负,u2为下正上负)u2使ub和ui增加,从而引起了“雪崩”式的正反馈:
结果使BG饱和,ic随时间线性增加,u2对C充电,ub不断减小,一直减小到BG退出饱和时(t-t1),又开始另一“雪崩”式的正反馈:
结果使BG截止,ic=0o C入放电,ub电压增加,又引起正反馈,如此正反馈,如此下去,BG间歇地工作,各种波形的变化如图一(b)示,

图1、自激式间歇振荡电路
二、他激间歇振荡电路
图2为他激间歇振荡电路,由于偏置压力为零,所以要靠外触发才能工作,无触发作用时,BG截止,负触发脉冲经C及D1送到BG的集电极,其反馈过程与上述同,

图2、他激间歇振荡电路

1、 本站不保证以上观点正确,就算是本站原创作品,本站也不保证内容正确。
2、如果您拥有本文版权,并且不想在本站转载,请书面通知本站立即删除并且向您公开道歉! 以上可能是本站收集或者转载的文章,本站可能没有文章中的元件或产品,如果您需要类似的商品请 点这里查看商品列表!
本站协议 | 版权信息 |  关于我们 |  本站地图 |  营业执照 |  发票说明 |  付款方式 |  联系方式
深圳市宝安区西乡五壹电子商行——粤ICP备16073394号-1;地址:深圳西乡河西四坊183号;邮编:518102
E-mail:51dz$163.com($改为@);Tel:(0755)27947428
工作时间:9:30-12:00和13:30-17:30和18:30-20:30,无人接听时可以再打手机13537585389